با ما تماس بگیرید 031-3131 7760
با ما تماس بگیرید

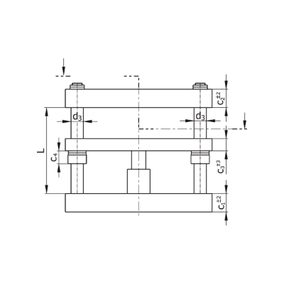
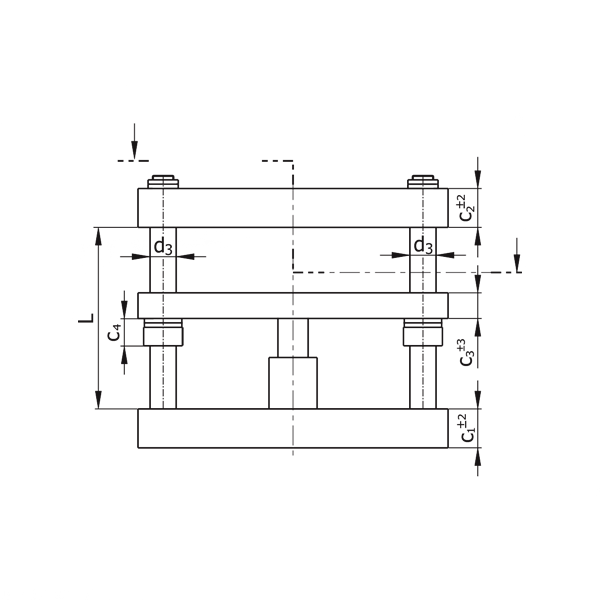
کفشک پرس هیدرولیک ستاک مدل PM

Hydraulic - Unit

مشخصات :
● اندازه L مطابق با نياز مشتری قابل ساخت می باشد.
● ابعاد صفحه تا 1200x700mm قابل ساخت می باشد.
● شيارها وسوراخهای نصب قالب و ماشينکاری مخصوص مطابق نياز مشتری قابل انجام است.
تصویر سرکار خانم علوی

سرکار خانم علوی

مدیر فروش قطعات پیش ساخته

تلفن همراه: 0910 229 7554

اشتراک گذاری
تصویر کفشک پرس هیدرولیک ستاک مدل PM
تصویر کفشک پرس هیدرولیک ستاک مدل PM
تصویر کفشک پرس هیدرولیک ستاک مدل PM
تصویر کفشک پرس هیدرولیک ستاک مدل PM
عنوان فایل حجم نسخه دانلود
کاتالوگ قطعات پیش ساخته قالب های فلزی standard-tool-Part1-1398.pdf 12.2 MB 1398
در حال بارگیری محصولات...

نظر خودتان را بنویسد

اگر پرسش یا نظری دارید ثبت کنید و امتیاز بگیرید.