با ما تماس بگیرید 031-3131 7760
با ما تماس بگیرید

صفحه راهنما گرافیت دار مدل D061

Sliding Pad

● بدون روانكار مايع
● جنس: فسفر برنز/چدن
● در حركتهای خطی و چرخشی در اغلب صنايع مهندسی از جمله قالبسازی كاربرد دارند.
● مزايای راهنمای گرافیت دار:
- دارای خصوصيات خوب لغزشی در شرايط بحرانی.
- بالاترين ظرفيت تحمل بار در سرعتهای کم.
- قابل استفاده در آب و يا محلولهای شيميايی.
- قابليت تحمل طيف وسيعی از دمای سرد و گرم.
- مستهلک كننده ارتعاشات.
تصویر سرکار خانم علوی

سرکار خانم علوی

مدیر فروش قطعات پیش ساخته

تلفن همراه: 0910 229 7554

تماس بگیرید
اشتراک گذاری
صفحه گرافیت دار مدل D061
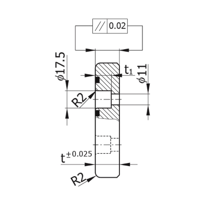
نقشه صفحه گرافیت دار مدل D061
تصویر صفحه راهنما گرافیت دار مدل D061
تصویر صفحه راهنما گرافیت دار مدل D061
تصویر صفحه راهنما گرافیت دار مدل D061
عنوان فایل حجم نسخه دانلود
فایل سه بعدی CATPart برای صفحه راهنما گرافیت دار D061 d061-catpart.rar 207.3 KB پاییز 1401
فایل سه بعدی STP برای صفحه راهنما گرافیت دار D061 d061-stp.rar 515.3 KB پاییز 1401
کاتالوگ قطعات پیش ساخته قالب های فلزی standard-tool-Part1-1398.pdf 12.2 MB 1398
کاتالوگ جامع قطعات پیش ساخته standard-parts.pdf 32.4 MB 1399

توجه:


● قبل از استفاده، سطوح لغزشی آغشته به گریس لیتیم شود.

● 25 الی30 درصد از سطح سیستم راهنما بوسیله گرافیت پوشش داده شده است.

● سطوح مقابل باید سنگ خورده باشند و ترجیحا توازی در حرکت رعایت شود.

● تحمل حرارتی تا °200C جهت مصارف عمومی.

نظر خودتان را بنویسد

اگر پرسش یا نظری دارید ثبت کنید و امتیاز بگیرید.

مقایسه کالاها