با ما تماس بگیرید 031-3131 7760
با ما تماس بگیرید

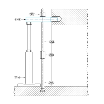
روبند سراستوانه ستاک مدل E308

FORKED CLAMP WITH PIN END

مشخصات :
● جنس : فولاد عملیات حرارتی شده
● DIN 6315C
تصویر سرکار خانم علوی

سرکار خانم علوی

مدیر فروش قطعات پیش ساخته

تلفن همراه: 0910 229 7554

اشتراک گذاری
روبند سر استوانه ای
نقشه روبند سر استوانه ای
روش نصب روبند سر استوانه ای
عنوان فایل حجم نسخه دانلود
کاتالوگ لوازم کمکی accessories-part6-1399.pdf 5.4 MB 1399
کاتالوگ جامع قطعات پیش ساخته standard-parts.pdf 32.4 MB 1399
در حال بارگیری محصولات...
نظر خودتان را بنویسد

اگر پرسش یا نظری دارید ثبت کنید و امتیاز بگیرید.