با ما تماس بگیرید 031-3131 7760
با ما تماس بگیرید

شیر سوزنی ستاک مدل D566

Gate Valve

مشخصات :
تولید کننده: شرکت ستاک
● سامانه های شیر سوزنی ابزاری مهم در کنترل فرآیند تزریق گرم است. این شیرها با باز و بسته کردن مدخل نازل ویژگی های برجسته ای به قطعات تولیدی و فرآیند می دهد. برخی از ویژگی های این سیستم عبارتند از:
1 ) اطمینان از سرریز نشدن ناخواسته مواد به حفره.
2 ) قطع ارتباط مواد داخل نازل با قطعه.
3 ) امکان دستیابی به سطوح با کیفیت تر قطعه.
4 ) مخفی تر شدن اثر تزریق.
5 ) امکان حذف سردجوشی در قطعات بزرگ که با چند نازل پُر می شوند.
6 ) دستیابی به کیفیت مطلوب برای قطعات بزرگ و پیچیده با امکان انتخاب ترتیب و ایجاد توالی در باز و بسته کردن نازل ها.
7 ) کاهش فشار تزریق
8 ) کاهش زمان تزریق
تصویر سرکار خانم علوی

سرکار خانم علوی

مدیر فروش قطعات پیش ساخته

تلفن همراه: 0910 229 7554

اشتراک گذاری
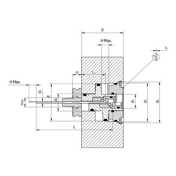
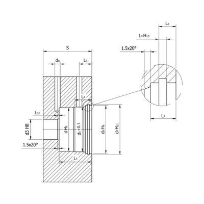
تصویر شیر سوزنی ستاک مدل D566
تصویر شیر سوزنی ستاک مدل D566
تصویر شیر سوزنی ستاک مدل D566
عنوان فایل حجم نسخه دانلود
کاتالوگ سامانه تزریق گرم nozzle-1400.pdf 3 MB 1400
کاتالوگ قطعات پیش ساخته قالب های تزریق standard-mould-Part2-1399.pdf 6.8 MB 1399
کاتالوگ جامع قطعات پیش ساخته standard-parts.pdf 32.4 MB 1399
در حال بارگیری محصولات...
نظر خودتان را بنویسد

اگر پرسش یا نظری دارید ثبت کنید و امتیاز بگیرید.